НОВО
Серия многостъпални хоризонтални центробежни помпи. Вклюват различни серии: HF, HX и HN, както и техните съответстващи помпени агрегати с мотори и управление за различна честота. Диапазонът е специално проектиран да посрещне:
– най-високите изисквания към помпеното оборудване;
– най-взискателните приложения на всяка помпена инсталация;
– най-добри технически резултати.
Лека хоризонтална, многостъпална, цетробежна помпа от неръждаема стомана. Моторите са стандартно напълно затворени, охлаждани с вентилатор, клас на изолацията F, IP55. Монофазни мотори до 2,2kW. Стандартните версии са подходящи за изпомпване на чиста вода с температура от -15ºC до 70ºC. Версии за гореща вода до 110ºC са налични по поръчка.
Работен диапазон
Дебит: Q до 28 m3/h
Напор: H до 60 m
Температура: T до 110 ºC
Скорост: n 2900 rpm
Мощност: P до 4,4 kW
Стандартни материали
HX и HN: стандартните версии са произведени от неръждаема стомана AISI304 или AISI316 L ; входа и изхода на помпата са от неръждаема стомана.
HF: стандартните версии са произведени от неръждаема стомана AISI304 или AISI316 L ; Входа и изхода на помпата са от чугун.
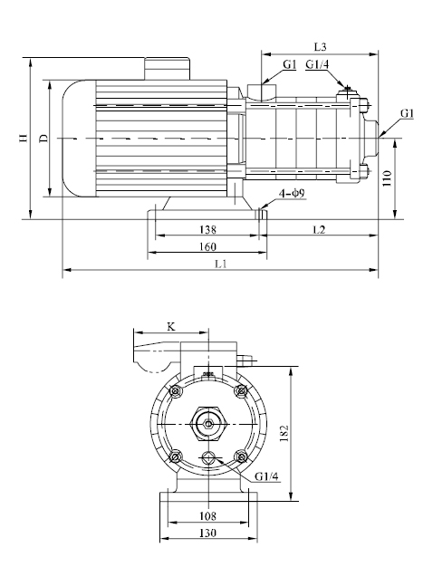
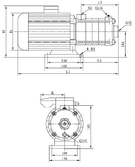
Хидравлична част (Помпа)
Хоризонтална многостъпална несамозсмукваща помпа, закачена с дълъг вал за електромотор.
Компактен дизайн; аксиален вход и радиален изход.
Мотор (Електродвигател)
TEFC мотор 2 полюсен
Клас на защита: IP55
Клас на изолацията: F
Стандартно напрежение, 50Hz:
1 x 220-240V
3 x 220-240V / 380-415V
Монофазен мотор (макс): 2.4kW
Условия на работа
– Нисковискозна, чиста, незапалима, и неексплозивна течност, която не съдържа твърди частици и влакна.
– Температура на течността: -15ºC до +110ºC
– Температура на околната среда: до+40ºC
– Надморска височина: до 1000m
Помпите са основно използвани в индустрията:
–Климатични системи
–Охладителни системи
–Индустриално почистване
–Обрабтване на вода(пречистване на вода)
–Аквакултури
–Системи за наторяване
–Автоматизирани поливни системи
Приложими течности
– Чиста, незапалима, неексплозивна течност , без твърди гранули.
– Минерална вода, мека вода, натурална вода, растително масло и други леки химикали.
– Когато плътността и вискозитете на течността е по висока от тази на водата трябва да се избере по мощен мотор.
– Дали дадена течност е подходяща за помпата зависи от много фактори, между които най-важното е съдържанието на хлор, PH, температура, масло и др.
- – Всички стойности са на основа на измервания направени при постоянна скорост на мотора от 2900r/min;
- – Кривата на толеранса е в съответствие с ISO9906 приложение A.
- – Измерванията са направени за 20ºC вода без газ с кинетичен вискозитет lmm2/sec.
- – Работаната точка на производителността на помпите да се избира в удебелената крива, за избягване на прегряване или претоварване на мотора.
СЕРИЯ: HF, HX

СЕРИЯ: HF, HX 2


СЕРИЯ: HF, HX 4


СЕРИЯ: HF, HX 2


СЕРИЯ: HF, HX 4

